欢迎光临乐清市铭品电器有限公司官方网站!

暗装直座

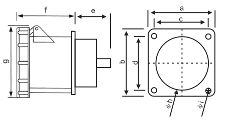
  • CEE-334/344

CEE-334/344

  • 014.jpg

    电       流   Current(A): 63A/125A

    电       压   Voltage(V):  380-415V~

    极       数   No. of poles: 3P+E

    防护等级  Protection degree: IP44


333.png


63Amp

125Amp

Poles

3

4

5

3

4

5

a×b

100

100

100

120

120

120

c×d

80

80

80

100

100

100

e

54

54

54

68

68

68

f

84

84

84

90

90

90

g

113

113

113

126

126

126

h

70

70

70

85

85

85

i

7

7

7

7

7

7

Wire flexible [mm²]

6-16

16-50


联系我们

公 司:乐清市铭品电器有限公司

联系人:陈经理

电话:0577-27880261

手机:13757879828

E-mail:cee@ceeplugs.com

地 址:浙江省乐清市柳市工业区

友情链接: 浙ICP备2024108916号