欢迎光临乐清市铭品电器有限公司官方网站!

暗装斜座

  • CEE-4142/4242

CEE-4142/4242

  • 014.jpg

    电       流   Current(A): 16A/32A

    电       压   Voltage(V):  380-415~

    极       数   No. of poles: 3P+E

    防护等级  Protection degree: IP67


4132.png


16Amp

32Amp

Poles

3

4

5

3

4

5

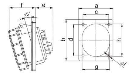
a

76

76

76

80

80

80

b

86

86

86

97

97

97

c

60

60

60

60

60

60

d

61

61

61

71

71

71

e

36

47

47

51

51

51

f

37

37

37

50

50

52

g

50

56

65

65

65

70

h

55

62

72

75

75

80

i

6

6

6

6

6

6

Wire flexible [mm²]

1-2.5

2.5-6


联系我们

公 司:乐清市铭品电器有限公司

联系人:陈经理

电话:0577-27880261

手机:13757879828

E-mail:cee@ceeplugs.com

地 址:浙江省乐清市柳市工业区

友情链接: 浙ICP备2024108916号