欢迎光临乐清路军网络科技有限公司官方网站!

工业明装插座

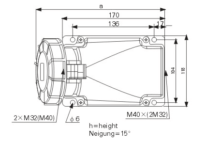
  • CEE-1342/1442

CEE-1342/1442

  • 014.jpg

    电       流   Current(A): 63A/125A

    电       压   Voltage(V):  380V-415V

    极       数   No. of poles: 3P+E

    防护等级  Protection degree: IP67


1332.png


63Amp

125Amp

Poles

3

4

5

3

4

5

a

213

213

213

285

285

285

h

173

173

173

185

185

185

Wire flexible [mm²]

6-16

16-50


联系我们

公 司:乐清路军网络科技有限公司

联系人:郑经理

电话:0577-27880261

手机:13587965072

E-mail:768259840@qq.com

地 址:浙江省乐清市柳市工业区

友情链接: 浙ICP备20241089162222号